• Trusted Seller

    1/3 of all sales are from returning customers

  • In-House Experts

    Ready to assist

  • Competitive Shipping

    Same day or next day shipping

  • Nationwide Delivery

    Real time shipping quotes at checkout

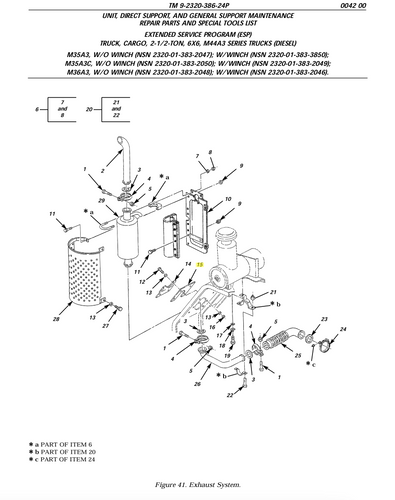
COVER PLATE & SEAL

(No reviews) Write a Review
$48.80
SKU: HUM 5714589
Adding to cart… The item has been added

COVER PLATE & SEAL

5latau

Customers Also Viewed